
6Н5С
16.02.2016
6Н8С
16.02.20166Н7С
Первоначальная цена составляла 180.00₽.130.00₽Текущая цена: 130.00₽.
Двойной триод 6Н7С предназначен для усиления мощности низкой частоты.
Применяется в выходных каскадах усилителей низкой частоты, работающих в классе АВ2, в каскадах фазоинверторов, маломощных генераторов высокой частоты для магнитофонов, в телевизионных приемниках и измерительной аппаратуре.
!!! Цена указана на лампы производства НЭВЗ-союз
!!! Лампы производства Фотон — дороже на 25%
6Н7С
Выходной двойной триод

| S | Ri | Rа | Pа | Pвых |
| 1.6 | 22 | 16 | 6 | 4.2 |
(двойной триод с общим катодом)

Основные размеры лампы 6Н7С.
Общие данные
Двойной триод 6Н7С предназначен для усиления мощности низкой частоты.
Применяется в выходных каскадах усилителей низкой частоты, работающих в классе АВ2, в каскадах фазоинверторов, маломощных генераторов высокой частоты для магнитофонов, в телевизионных приемниках и измерительной аппаратуре.
Катод оксидный косвенного накала.
Работает в любом положении. Выпускается в стеклянном оформлении. Срок службы не менее 500 час.
Цоколь октальный с ключом. Штырьков 7.
Междуэлектродные емкости, пФ
Входная 4,3. Выходная 5,4. Проходная 2,4.
Номинальные электрические данные (для каждого триода)
| Напряжение накала, В | 6.3 |
| Напряжение на аноде, В | 300 |
| Напряжение смещения на сетке, В | -6 |
| Ток в цепи накала, мА | 810+-50 |
| Ток в цепи анода при параллельно соединенных триодах, мА | 7 |
| Ток в цепи анода при напряжении на сетке, равном нулю, мА | 17.5 |
| Крутизна характеристики при параллельно соединенных триодах, мА/В | 3.2+-0.5 |
| Внутреннее сопротивление при параллельно соединенных триодах, кОм | 11.4+-2.1 |
| Коэффициент усиления при параллельно соединенных триодах | 35+-5 |
| Выходная мощность при напряжении смещения на сетке -5 В, переменном напряжении на сетке 35 В, сопротивлении в цепи сетки 500 Ом и сопротивлении нагрузки в цепи анода 2500 Ом, Вт | 4.2 |
| Выходная мощность при напряжении накала 5.7 В, Вт | 3.2 |
Предельно допустимые электрические величины (для каждого триода)
| Наибольшее напряжение накала, В | 7.0 |
| Наименьшее напряжение накала, В | 5.7 |
| Наибольшее напряжение на аноде, В | 300 |
| Наибольшая мощность, рассеиваемая на аноде, Вт | 6.0 |
| Наибольшее постоянное напряжение между катодом и подогревателем, В | 100 |
| Наибольший ток утечки между катодом и подогревателем при напряжении между катодом и подогревателем 100 В, мкА | 30 |
Рекомендованные режимы эксплуатации лампы 6Н7С в предварительном усилителе класса А для возбуждения выходного каскада класса В (оба триода соединены параллельно)
| Напряжение на аноде, В | 250 |
| Напряжение смещения на сетке, В | -5 |
| Крутизна характеристики, мА/В | 3.1 |
| Ток в цепи анода, мА | 6 |
| Внутреннее сопротивление, кОм | 11.3 |
| Коэффициент усиления | 35 |
| Сопротивление в цепи анода, кОм | 30 |
| Выходная мощность, Вт | не менее 4 |
Рекомендуемый режим эксплуатации лампы 6Н7С в усилителе мощности класса В в двухтактной схеме
| Напряжение на аноде, В | 250 |
| Напряжение смещения на сетке, В | 0 |
| Ток в непн анода каждого триода, мА | 35 |
| Наибольший ток в цепи анода для каждого триода, мА | 70 |
| Наибольшая амплитуда возбуждения между сетками, В | 82 |
| Наибольший ток в цепи сетки каждого триода, мА | 22 |
| Наибольшее сопротивление в цепи каждой сетки, Ом | 500 |
| Сопротизление нагрузки между анодами, кОм | 8 |
| Наибольшая выходная мощность, Вт | 10 |
| Коэффициент нелинейных искажений, % | 8 |
Примечание. Чтобы получить выходную мощность до 20 Вт, в двухтактной схеме класса В можно применить две лампы 6Н7С, соединив оба триода каждой лампы параллельно. При этом величина нагрузки между анодами будет составлять 5000 Ом.
Лампа 6Н7С является единственным мощным выходным триодом и замены себе не имеет.*)
*) Примечание создателей «Справочника»: данные на июль 1961 года.

Характеристики зависимости тока анода и тока сетки от напряжения на аноде

Характеристики зависимости тока анода и тока сетки от напряжения на аноде

Динамические характеристики зависимости тока анода от напряжения на сетке при напряжении источника питания 250 В

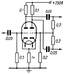
Схема применения лампы 6Н7С в каскаде фазоинвертора
| Производитель |
|---|






