
6Н7С
16.02.2016
6Н9С
17.02.20166Н8С
280.00₽
Триод 6Н8С предназначен для усиления напряжения низкой частоты.
Применяется в предварительных каскадах усиления низкой частоты и каскадах фазоинверторов. Широко применяется в различных импульсных схемах и схемах ограничения, каскадах развертки телевизионных приемников и измерительной аппаратуре.
6Н8С
Двойной триод

| S | Ri | Rа | Pа | Pвых |
| 2.6 | 7.9 | — | 2.75 | — |
(двойной триод с отдельными катодами)

Основные размеры лампы 6Н8С.
Общие данные
Триод 6Н8С предназначен для усиления напряжения низкой частоты.
Применяется в предварительных каскадах усиления низкой частоты и каскадах фазоинверторов. Широко применяется в различных импульсных схемах и схемах ограничения, каскадах развертки телевизионных приемников и измерительной аппаратуре.
Катод оксидный косвенного накала.
Работает в любом положении. Выпускается в стеклянном оформлении. Срок службы не менее 500 час.
Цоколь октальный с ключом. Штырьков 8.
Междуэлектродные емкости, пФ
Входная первого триода 2,8. Выходная второго триода 1,2. Входная второго триода 3. Проходная первого триода 3,8. Выходная первого триода 0,8. Проходная второго триода 4.
Номинальные электрические данные (для каждого триода)
| Напряжение накала, В | 6.3 |
| Напряжение на аноде, В | 250 |
| Напряжение смещения на сетке, В | -8 |
| Ток в цепи накала, мА | 600+-50 |
| Ток в цепи анода, мА | 9+-3.5 |
| Крутизна характеристики, мА/В | 2.6+-0.53 |
| Внутреннее сопротивление, Ом | 7700 |
| Коэффициент усиления | 20.5+-2.5 |
Предельно допустимые электрические величины (для каждого триода)
| Наибольшее напряжение накала, В | 7.0 |
| Наименьшее напряжение накала, В | 5.7 |
| Наибольшее напряжение на аноде, В | 330 |
| Наибольшая мощность, рассеиваемая на аноде, Вт | 2.75 |
| Наибольший ток катода, мА | 20 |
| Наибольшее сопротивление в цепи первой сетки, кОм | 500 |
| Наибольшее постоянное напряжение между катодом и подогревателем, В | 100 |
| Наибольший ток утечки между катодом и подогревателем, мкА | 20 |
Основные электрические данные при низком анодном напряжении (для каждого триода)
| Напряжение на аноде, В | 26 |
| Напряжение смещения на сетке, В | -0.5 |
| Крутизна характеристики, мА/В | 1.5 |
| Внутреннее сопротивление, кОм | 16 |
| Коэффициент усиления | 24 |

Характеристики зависимости тока анода от напряжения на аноде

Характеристики зависимости тока анода и тока сетки от напряжения на аноде

Динамические характеристики зависимости тока анода от напряжения на сетке при напряжении источника питания 250 В

Характеристики основных параметров лампы 6Н8С при напряжении на аноде 250 В
Схема применения лампы 6Н8С в качестве усилителя напряжения низкой частоты
![]() |
При конструировании каскада усилителя напряжения низкой частоты на сопротивлениях (см. рисунок) необходимо помнить, что при применении анодной нагрузки малой величины усиление каскада уменьшается, а частотная характеристика расширяется. При относительно большом анодном сопротивлении усиление каскада увеличивается, а частотная характеристика каскада суживается. Конденсатор, блокирующий сопротивление в цепи катода, обычно берется электростатический, емкостью 10-50 мкФ. Величины сопротивлений и переходного конденсатора для схемы, изображенной на рисунке, приведены в таблице. |
Данные деталей каскада усилителя низкой частоты на лампе 6Н8С
_____________________________________________________________________ | Сопротивление в цепи | | | | |___________________________________| Переходной | Выходное |Коэффи- | | анода |сетки последующего| катода |конденсатор,|напряжение,| циент | |Rа, МОм| каскада Rс, МОм |Rк, кОм| мкФ | В |усиления| |_______|__________________|________|____________|___________|________| | Напряжение источника питания 180 В | |_____________________________________________________________________| | 0.05 | 0.05 | 1.2 | 0.05 | 24 | 13 | | 0.05 | 0.1 | 1.5 | 0.02 | 30 | 13 | | 0.05 | 0.25 | 1.8 | 0.01 | 30 | 13 | | 0.1 | 0.1 | 2.4 | 0.05 | 26 | 14 | | 0.1 | 0.25 | 2.8 | 0.01 | 34 | 14 | | 0.1 | 0.5 | 3.2 | 0.005 | 38 | 14 | | 0.25 | 0.25 | 5.5 | 0.01 | 28 | 14 | | 0.25 | 0.5 | 7.0 | 0.007 | 36 | 14 | | 0.25 | 1.0 | 8.0 | 0.004 | 40 | 14 | |_______|__________________|________|____________|___________|________| | Напряжение источника питания 300 В | |_____________________________________________________________________| | 0.05 | 0.05 | 1.0 | 0.5 | 41 | 14 | | 0.05 | 0.1 | 1.2 | 0.03 | 51 | 14 | | 0.05 | 0.25 | 1.5 | 0.01 | 60 | 14 | | 0.1 | 0.1 | 2.0 | 0.03 | 43 | 14 | | 0.1 | 0.25 | 2.4 | 0.01 | 56 | 14 | | 0.1 | 0.5 | 2.7 | 0.006 | 64 | 14 | | 0.25 | 0.25 | 4.5 | 0.01 | 46 | 14 | | 0.25 | 0.5 | 5.7 | 0.007 | 57 | 14 | | 0.25 | 1.0 | 7.0 | 0.004 | 64 | 14 | |_______|__________________|________|____________|___________|________|
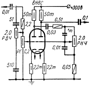
Схема применения лампы 6Н8С в качестве фазоинвертора
![]() |
На рисунке изображена схема фазоинверторного самобалансирующегося каскада. Включение сеточных сопротивлений, как показано на схеме, образует сильную обратную отрицательную связь, под действием которой напряжение возбуждения на обеих лампах двухтактного каскада автоматически устанавливается одинаковым. Балансировка схемы не нарушается при значительных изменениях величин сопротивлений, параметров ламп и напряжений питания. Схема рекомендуется только для возбуждения оконечных ламп, работающих в режиме без токов сетки, ибо выходное сопротивление фазоинверторного каскада имеет большую величину. |
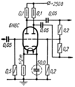
Схема применения лампы 6Н8С в каскаде тонкоррекции усилителя низкой частоты для регулирования частотной характеристики в области низких и высоких звуковых частот
![]() |
При работе лампы 6Н8С в схеме, изображенной на рисунке, усиление каскада составляет несколько единиц. Регулирующие потенциометры низких и высоких частот регулируют подъем и завал частотной характеристики на величину + 20 дБ. В средних положениях регуляторов низких и высоких частот частотная характеристика равномерна в пределах 30 — 15000 Гц. |
| Производитель |
|---|









