
6Н9С
17.02.2016
6Н12С
18.02.20166Н9С (мет. цоколь)
1,400.00₽
Двойной триод 6Н9С предназначен для усиления напряжения низкой частоты.
Применяется в предварительных каскадах усилителей низкой частоты и каскадах фазоинверторов, а также в измерительной аппаратуре.
6Н9С
Двойной триод

| S | Ri | Rа | Pа | Pвых |
| 1.6 | 44 | — | 1.1 | — |
(двойной триод с отдельными катодами)

Основные размеры лампы 6Н9С.
Общие данные
Двойной триод 6Н9С предназначен для усиления напряжения низкой частоты.
Применяется в предварительных каскадах усилителей низкой частоты и каскадах фазоинверторов, а также в измерительной аппаратуре.
Катод оксидный косвенного накала.
Работает в любом положении. Выпускается в стеклянном оформлении. Срок службы не менее 500 час.
Цоколь октальный с ключом. Штырьков 8.
Междуэлектродные емкости, пФ
Входная первого триода 3. Входная второго триода 3,4. Выходная первого триода 3,8. Выходная второго триода 3,2. Проходная каждого триода 2,8.
Номинальные электрические данные (для каждого триода)
| Напряжение накала, В | 6.3 |
| Напряжение на аноде, В | 250 |
| Напряжение смещения на сетке, В | -2 |
| Ток в цепи накала, мА | 300+-25 |
| Ток в цепи анода, мА | 2.3+-0.9 |
| Крутизна характеристики, мА/В | 1.6+-0.4 |
| Внутреннее сопротивление, кОм | 44 |
| Коэффициент усиления | 70+-15 |
Предельно допустимые электрические величины (для каждого триода)
| Наибольшее напряжение накала, В | 7.0 |
| Наименьшее напряжение накала, В | 5.7 |
| Наибольшее напряжение на аноде, В | 275 |
| Наибольшая мощность, рассеиваемая на аноде, Вт | 1.1 |
| Наибольшее сопротивление в цепи сетки, кОм | 500 |
| Наибольшее постоянное напряжение между катодом и подогревателем, В | 100 |
| Наибольший ток утечки между катодом и подогревателем, мкА | 20 |
Основные электрические данные при низком анодном напряжении (для каждого триода)
| Напряжение на аноде, В | 26 |
| Напряжение смещения на сетке, В | -0.5 |
| Ток в цепи анода, мА | 0.2 |
| Крутизна характеристики, мА/В | 0.8 |
| Внутреннее сопротивление, кОм | 90 |
| Коэффициент усиления | 72 |

Характеристики зависимости тока анода от напряжения на аноде

Характеристики зависимости тока анода от напряжения на сетке

Динамические характеристики зависимости тока анода от напряжения на сетке при напряжении источника питания 250 В

Характеристики основных параметров лампы 6Н9С при напряжении на аноде 250 В
Схема применения лампы 6Н8С в качестве усилителя напряжения низкой частоты на сопротивлениях
![]() |
Конденсатор, шунтирующий катодное сопротивление, должен быть электролитическим емкостью не менее 10 мкФ. Данные каскада при разных источниках анодного питания и разных анодных нагрузках приведены в таблице 1, а емкости переходного конденсатора для разных значений низшей частоты полосы пропускания даны в таблице 2. |
Таблица 1. Данные деталей каскада усилителя низкой частоты на лампе 6Н9С
________________________________________________________ | Сопротивление в цепи | | | |___________________________________| Выходное |Коэффи- | | анода |сетки последующего| катода |напряжение,| циент | |Rа, МОм| каскада Rс, МОм |Rк, кОм| В |усиления| |_______|__________________|________|___________|________| | Напряжение источника питания 180 В | |________________________________________________________| | 0.1 | 0.1 | 1.9 | 24 | 25 | | 0.1 | 0.25 | 2.1 | 34 | 29 | | 0.1 | 0.5 | 2.4 | 38 | 33 | | 0.25 | 0.25 | 3.7 | 29 | 35 | | 0.25 | 0.5 | 4.3 | 39 | 39 | | 0.25 | 1.0 | 4.8 | 45 | 41 | | 0.5 | 0.5 | 6.1 | 34 | 40 | | 0.5 | 1.0 | 6.8 | 45 | 43 | | 0.5 | 2.0 | 7.8 | 51 | 45 | |_______|__________________|________|___________|________| | Напряжение источника питания 300 В | |________________________________________________________| | 0.1 | 0.1 | 1.5 | 49 | 29 | | 0.1 | 0.25 | 1.9 | 70 | 34 | | 0.1 | 0.5 | 2.1 | 76 | 36 | | 0.25 | 0.25 | 2.8 | 63 | 39 | | 0.25 | 0.5 | 3.4 | 78 | 42 | | 0.25 | 1.0 | 3.7 | 90 | 45 | | 0.5 | 0.5 | 4.7 | 70 | 45 | | 0.5 | 1.0 | 6.0 | 87 | 48 | | 0.5 | 2.0 | 6.6 | 100 | 49 | |_______|__________________|________|___________|________|
Таблица 2. Емкости переходного конденсатора для разных значений низшей частоты полосы пропускания
_____________________________________________________________ | Сопротивление | Переходной конденсатор при низшей частоте | | в цепи сетки |_____________________________________________| | последующего | | | | | |каскада Rс, МОм| 70 Гц | 100 Гц | 150 Гц | 200 Гц | |_______________|___________|___________|__________|__________| | | | | | | | 0.047-0.05 | 0.1 мкФ | 0.07 мкФ | 0.06 мкФ | 0.04 мкФ | | 0.1 | 0.07 мкФ | 0.04 мкФ | 0.03 мкФ | 0.02 мкФ | | 0.25-0.27 | 0.025 мкФ | 0.015 мкФ | 0.01 мкФ | 7500 пФ | | 0.47-0.5 | 0.015 мкФ | 0.01 мкФ | 6800 пФ | 5100 пФ | | 1.0 | 6200 пФ | 4300 пФ | 2700 пФ | 2000 пФ | | 2.0-2.2 | 3000 пФ | 2000 пФ | 1500 пФ | 1000 пФ | | 3.3 | 2000 пФ | 1500 пФ | 1000 пФ | 1000 пФ | |_______________|___________|___________|__________|__________|
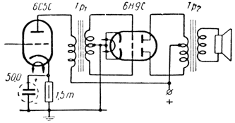
Схема усилителя мощности низкой частоты на лампе 6Н9С

Двойной триод 6Н9С можно применять в каскаде усиления мощности низкой частоты автомобильных приемников (примечание создателей «Справочника»: данные на июль
1961 года). Целесообразность применения заключается в малом токе потребления как в цепи накала, так и в цепи анодного питания.
В схеме, изображенной на рисунке, при напряжении источника питания анодных цепей 160 В выходная мощность составляет до 1,5 Вт, при коэффициенте нелинейных искажений — не более 10. При 210 В выходная мощность доходит до 3 Вт. Ток обеих ламп при отсутствии сигнала составляет при напряжении источника питания анодных цепей 160 В — 12 мА, а при 210 В — 18 мА. В междуламповом трансформаторе Тр1 применено железо Ш-12, набор 25 мм. Первичная обмотка имеет 4000 витков провода ПЭ 0,1 мм; вторичная — 1000 х 2 витков того же провода.
В выходном трансформаторе применено железо Ш-12, набор 25 мм. Первичная обмотка 1500 х 2 витков провода ПЭ 0,12 мм. Приведенное сопротивление нагрузки между анодами 2Rа составляет 16 000 Ом.
Лампа 6Н9С может быть заменена аналогичным двойным триодом 6Н2П. Результаты замены эффективны.
| Производитель |
|---|







