
6Е3П
13.02.2016
6Е2П
13.02.20166Е5С
Индикатор настройки

| S | K | Rа |
| 1.2 | 24 | 1000 |
(электронно-лучевой индикатор)

Основные размеры лампы 6Е5С.
Общие данные
Применяется в супергетеродинных приемниках как указатель настройки на принимаемую станцию. Используется как индикатор уровня записи в магнитофонах, передатчиках и измерительной аппаратуре.
Катод оксидный прямого накала.
Работает в любом положении. Выпускается в стеклянном оформлении.
Срок службы не менее 500 час.
Цоколь октальный с ключом. Штырьков 6.
Свечение экрана кратера зеленое.
Номинальные электрические данные
| Напряжение накала, В | 6.3 |
| Напряжение на аноде, В | 250 |
| Напряжение на кратере, В | 250 |
| Напряжение смещения на управляющей сетке, В | -4 |
| Ток накала, мА | 300 +- 25 |
| Ток в цепи анода, мА | 5.3 +- 1.9 |
| Ток в цепи кратера, мА | 5 |
| Крутизна характеристики, мА/В | 1.2 +- 0.4 |
| Коэффициент усиления | 24 |
| Напряжение на управляющей сетке при угле темного сектора не более 5 градусов, В | -8.25 +- 2.25 |
Предельно допустимые электрические величины
| Наибольшее напряжение накала, В | 6.9 |
| Наименьшее напряжение накала, В | 5.7 |
| Наибольшее напряжение на аноде, В | 250 |
| Наибольшее напряжение на кратере, В | 250 |
| Наибольшее постоянное напряжение между катодом и подогревателем, В | 100 |
| Наибольший ток утечки между катодом и подогревателем, мкА | 20 |
Характеристики зависимости тока анода от напряжения на аноде при напряжении на кратере 250 В

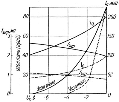
Динамические характеристики зависимости угла тени, тока анода и тока кратера от напряжения на первой сетке
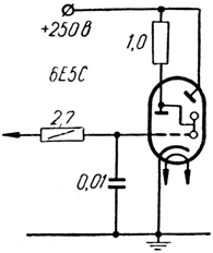
Схема включения лампы 6Е5С в качестве индикатора настройки приемников

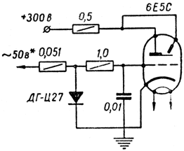
Схема применения лампы 6Е5С в качестве индикатора уровня записи магнитофона

| Производитель |
|---|





